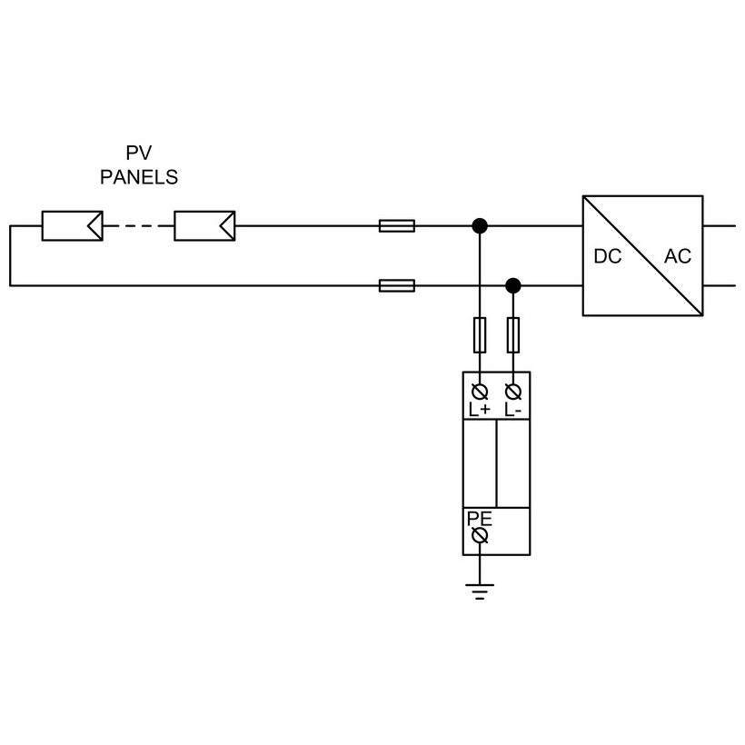
Célban épített DC-védelem a PV-tömbök számára.
Ezek a 2. típusú túlfeszültség -leállás védi a PV karakterláncokat, a buszrudakat és az inverter bemeneteit a villám események vagy a váltási műveletek által okozott átmeneti túlfeszültségektől. Biztosítják mind a pozitív, mind a negatív PV buszszerek offotenciális kötését, és elősegítik a rendszer üzemidejének fenntartását az összes villámvédelmi szinten (LPL I - IV).
U vagy Y kapcsolat - küszöbölje, mire van szüksége a tervezéséhez.
U Connection: A PV DC áramkörök hagyományos védelmi topológiája.
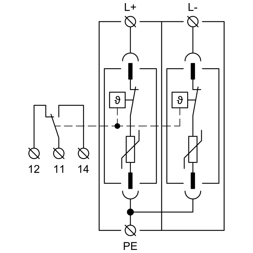
Y CSATLAKOZÁS: A PE -re elrendezett varisztorok, így a munkavezetői továbbra is ellenállnak a Földnek, és a PE vezetőn nulla maradék (szivárgás) áram van, javítva az EMC viselkedését és minimalizálva a kellemetlenség áramát.
Beépített biztonság-nincs szükség tartalék biztosítékra.
Az L+, L- és PE közötti konkrét varisztor szektorok mindegyike belső termikus leválasztókkal van felszerelve. Amikor egy varisztor eléri az élet végén (túlmelegedéseket), a leválasztó kirándulások, láthatóan jelezve a hibát és megszakítva a DC-áramot. Különleges építkezésüknek köszönhetően ezeket a leállítószereket külön tartalék biztosíték nélkül lehet telepíteni (a rendszer koordinációjától függően).
Rugalmas telepítés külső LP -kkel vagy anélkül.
Telepítse a PV rendszerek DC oldalára vagy külső villámvédelmi rendszer (LPS) nélkül, akár LPS -vel, ha a szükséges „S” elválasztási távolságot fenntartják. Ez támogatja az új épületek és az utólagos felszerelések biztonságos integrációját.
Szolgáltatási és megfigyelési lehetőségek.
M jelzés: Verzió eltávolítható (plug-in) védelmi modullal a gyors csere érdekében.
S jelzés: A SCADA/PLC/riasztási relékek állapotjelzésének távirányítóval való kapcsolattartó verziója.
Tipikus alkalmazások
PV karakterláncok, kombináló/újbóli kombinációs dobozok és inverter DC bemenetek
Közüzemi, kereskedelmi és ipari és tetőtéri PV-létesítmények
Külső LP -kkel vagy anélkül, ahol az „S” elválasztási távolság megfigyelhető
Kulcsfontosságú jellemzők egy pillanat alatt
A 2. típusú túlfeszültség -bakrász a PV DC rendszerekhez (U vagy Y Connection)
Y Connection előnye: Föld-rezisztens munkamagok és nulla PE szivárgás
Belső termikus leválasztók a varisztor útvonalakon (L+, L-, PE)
DC aktuális megszakítás a hiba; Nincs szükség tartalék biztosítékra
Minden LPL szintre alkalmas; Támogatja az quotential kötést
M = eltávolítható modul; S = Távoli megfigyelő kapcsolat

